
2022-05-06|admin
PLFN盤輸出精密行星減速機圖紙在線下載,行星減速機全型號尺寸圖下載,根據電機型號匹配減速機或是所需要的產品參數去進行選型。NCP選型軟件可輸入市面上常見電機和各種應用,不同階段都有動態(tài)數據和負載的顯示,操作簡便,可提供免費NCP選型軟件。在線聯(lián)系技術提供選型和報價服務。
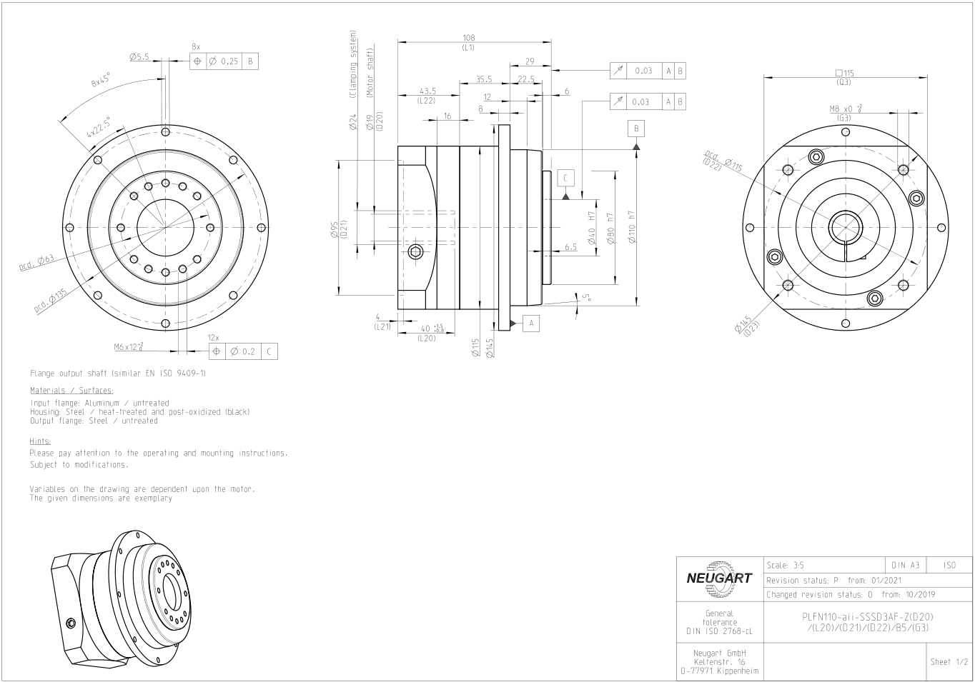
PLFN選型減速機尺寸結構圖:
PLFN64減速機結構尺寸圖
PLFN90減速機結構尺寸圖
PLFN110減速機結構尺寸圖
PLFN行星減速機結構尺寸圖下載:
以上為行星減速機基礎型號參考,具體型號選型可聯(lián)系技術或在線服務。行星減速機價格需要技術確認型號后報價,具體型號報價請聯(lián)系在線客服或是工程師!

微信掃一掃