
2022-05-06|admin
WPSFN是NEUGART一款配有法蘭輸出軸和空心軸的齒輪直角行星減速機,憑借標準化的法蘭接口能夠輕松快速集成到系統中。通過準雙曲面齒輪和斜齒行星系統優(yōu)化同步運行功能,實現加工表面的質量。轉角盤式輸出行星減速機圖紙下載,全系列減速機型號圖紙下載,不同尺寸速比減速機圖紙聯系技術在線下載或提供選型樣本。
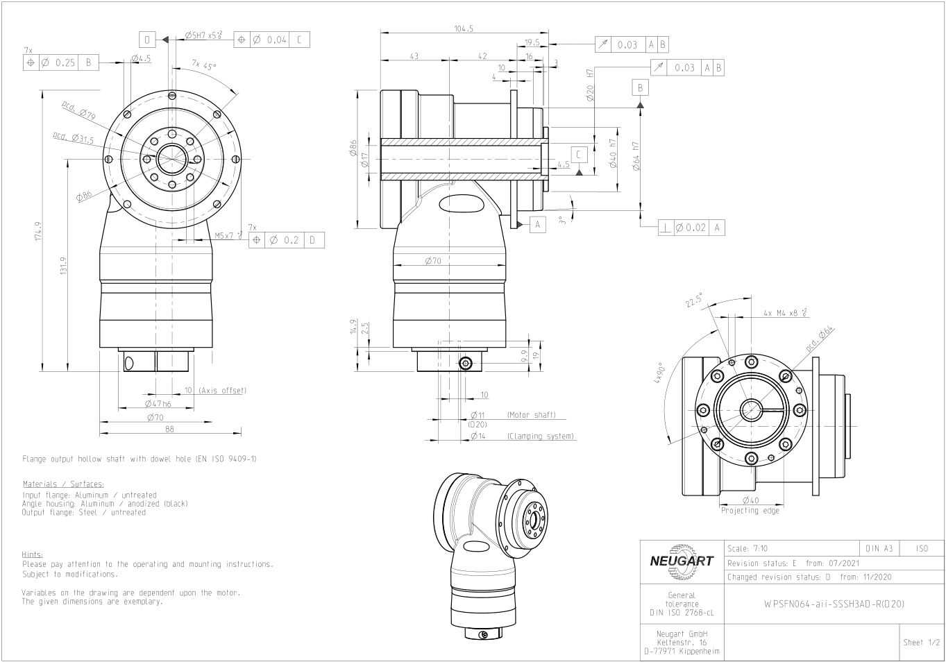
WPSFN法蘭直角減速機結構尺寸圖:
WPSFN64直角法蘭減速機尺寸圖
WPSFN90直角法蘭減速機尺寸圖
WPSFN110直角法蘭減速機尺寸圖
WPSFN140直角法蘭減速機尺寸圖
WPSFN法蘭直角空心軸減速機尺寸圖紙下載:
以上為行星減速機基礎型號參考,具體型號選型可聯系技術或在線服務。行星減速機價格需要技術確認型號后報價,具體型號報價請聯系在線客服或是工程師!

微信掃一掃